欢迎光临
搜管网!
手机版
下载APP
服务导航
如何创建企业
如何发布产品
如何发布求购
会员中心
立即登陆
忘记密码
QQ 登陆
微博登陆
快速注册
客服中心
30405044
30405044
400-8088-659
400-1828-656
留言反馈
消息中心
网站导航
找产品
找厂家
找市场
找项目
找设计院
管材报价
标准知识
十佳品牌
商城
期刊
管道展会
产品
公司
店铺
项目
品牌
资讯
地区
我要采购
网站首页
找产品
产品供应
产品求购
产品百科
找企业
生产厂家
市场店铺
品牌厂家
招标名企
找项目
招标项目
中标项目
在建项目
拟建项目
找市场
设计院
设计院
国家标准
技术规范
标准图集
找资讯
管道资讯
行业动态
市场行情
行业知识
最新展会
管材报价
管道人
管材商城
图库列表
PVC材质类(聚氯乙烯)
·
pvc排水管
·
PVC电力管
·
PVC通信管
·
PVC透明管
·
PVC通风管
·
PVC梅花管
·
PVC给水管
·
PVC钢丝软管
·
PVC电工套管
·
PVC缠绕管
·
PVC波纹管
PE材质类(聚乙烯)
·
pe给水管
·
内肋增强聚乙烯螺旋波纹管
·
钢带增强PE螺旋波纹管
·
PE燃气管
·
PE矿用管
·
PE硅芯管
·
PE高分子管
·
HDPE电缆护套管
·
HDPE中空壁缠绕管
·
HDPE塑钢缠绕管
·
HDPE双壁波纹管
PP材质类(聚丙烯)
·
PP模块
·
ppr管
·
ppc管
·
ppb管
·
pph管
·
pp管
·
mpp管
·
frpp管
金属类管材
·
镀锌钢管
·
球墨铸铁管
·
金属波纹管
·
不锈钢管
·
保温管
·
金属软管
·
铜管
·
螺旋钢管
·
焊接钢管
·
无缝钢管
复合类管材
·
PE-RT地暖管
·
钢塑复合管
·
多重增强钢塑复合压力管
·
PSP钢塑复合管
·
钢丝编织液压胶管
·
孔网钢带塑料复合管
·
HDPE双平壁缠绕管
·
HDPE塑钢缠绕管
·
钢骨架塑料复合管
·
不锈钢复合管
·
HDPE钢带增强螺旋波纹管
·
钢丝网骨架塑料复合管
其他材质类
·
最新的十大品牌地暖管
·
管道机械设备
·
管道配件
·
内衬玻璃钢水泥管
·
通风管
·
内衬PVC水泥管
·
陶瓷管
·
玻璃钢管
·
水泥管
·
管材连接件
标准图集
·
珠海市建筑工程质量通病防治措施
·
智能建筑设计与施工系列图集 2 消防系统
·
建筑安装施工图集
·
YDJ-101通信管道人孔和管块组群图集
·
T905(一)方形膨胀水箱
·
S517 排水管道出水口2003年局部修改版
·
S515 排水检查井2003年局部修改版
·
S312 防水套管
·
S305 小型潜水排污泵选用与安装
·
S231 圆形雨水井
·
S01 给水图集
·
R901 弹簧压力表安装图
·
R108(一)方形开式水箱
·
R108(二)圆形开式水箱
·
K120-1~2(2002合订本) 风管蝶阀
·
K110-1~3 通风机附件安装200年合订本
·
GBT 23858-2009 检查井盖
·
DQ1 金属管敷设
·
99S304卫生设备安装
·
99S203 消防水泵接合器安装
·
99S202 室内消火栓安装
·
99K103 防排烟设备安装图集
·
98S102卧式水泵隔振及其安装
·
95S222排水管道基础
·
03S702钢筋混凝土化粪池
·
01SJ914 住宅卫生间
·
01S302 雨水斗
·
01S201室外消火栓安装
·
01S125开水器(炉)选用及安装
·
01S123贮水罐选用及安装
·
01S122-10DFHRV系列导流浮动盘管型半容积式水加热器选用及安装
·
01S122-9SS、MS系列U形管型容积式水加热器选用及安装
·
01S122-8TGT系列浮动盘管型半即热式水加热器选用及安装
·
01S122-7BFG系列浮动盘管型半容积式水加热器选用及安装
·
01S122-6SW、WW系列浮动盘管型半即热式水加热器选用及安装
·
01S122-5TBF系列浮动盘管型半容积式水加热器选用及安装
·
01S122-4SI系列弹性管束型半即热式水加热器选用及安装
·
01S122-3SV系列弹性管束型半容积式水加热器选用及安装
·
01S122-2HRV系列导流型半容积式水加热器选用及安装
·
01S122-1RV系列导流型容积式水加热器选用及安装
·
01R405 压力表安装图集
·
01(03)S305小型潜水排污泵选用及安装(2003年局部修改版)
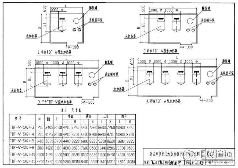
01S122-5TBF系列浮动盘管型半容积式水加热器选用及安装
买家帮助
如何发布求购?
微信绑定,动态一手掌握
如何查找所需产品?
卖家帮助
如何创建企业商铺
如何发布产品?
企业认证
如何快速了解用户需求?
会员服务
广告报价
用户权限说明
重置/找回密码
会员注册说明
常见问题
安全问题
权限问题
积分问题
注册问题
会展
13890505561
热线
400-8088-659
客服
1977554587
反馈
APP
顶部